Списать не удастся!

Страницы: 1 2 3 4  ... 8  ОТВЕТИТЬ НОВАЯ ТЕМА
aries1983 28 фев 2013 в 19:02
Весельчак  •  На сайте 13 лет
7
Что-то нынче из провинций поперли кулибины.. то своя операционка, то антивирус, то детектор частот...

Никак в деревнях интернет протянули ?

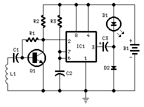
Оригинал статьи тут 06-07-2009 : http://www.rlocman.ru/shem/schematics.html?di=55662


да и уже лет 5-6 как продаются подставки под телефоны, которые моргают диодами при входящем звонке или 3G/gprs

вот пример cхемы :

Списать не удастся!

Это сообщение отредактировал aries1983 - 28 фев 2013 в 19:04
потатор 28 фев 2013 в 19:03
бардуль  •  На сайте 16 лет
1
ахуенно чувак всех развел. Теперь будет бабло рубить с одноклассников шоп учителя думали шо "прибор работает". Либо тупо афера от будущего Остапа Бендера. хуита в коробочке и тестер.
sergeis 28 фев 2013 в 19:04
Ярила  •  На сайте 17 лет
1
Вот ведь иуда smile.gif Его бы мозги да в мирных целях на благо друзей направить...

А по существу - зачем связь вообще? В телефон вся книга влезет и так, не надо в эфит выходить, в режиме "самолет" ничего не определится.
Ну и "приборы" типа того который он изобрел продаются
1. Cell Phone Detector - ну например тут.
2. Cell Phone Jammer: глушилки телефонов продаются например тут и используются на экзаменах давно...

Это сообщение отредактировал sergeis - 28 фев 2013 в 19:05
ОлегШеридан 28 фев 2013 в 19:06
Ярила  •  На сайте 13 лет
0
теперь пусть Кулибин собирает себе робота-телохранителя, иначе...
jamal777 28 фев 2013 в 19:16
Шутник  •  На сайте 13 лет
0
у этих придурков по ходу обострение веенние. сачала один с антивирусом. теперь этот недоучка с мобилками. пиздец
vistador 28 фев 2013 в 19:17
Отец русского телевизора  •  На сайте 16 лет
3
Цитата (sergeis @ 28.02.2013 - 19:04)

Ну и "приборы" типа того который он изобрел продаются
1. Cell Phone Detector - ну например тут.
2. Cell Phone Jammer: глушилки телефонов продаются например тут и используются на экзаменах давно...

Чтото заебали в последнее время пиарить детей, которые ТИПА ИЗОБРЕЛИ НЕЧТО ОХУЕННО НОВОЕ, при том , что это давно уже все украдено до нас (С) придумано до нас..


Все это давно уже ИЗОБРЕТЕНО и выпускается нашими узкоглазыми братьями.
И за несколько жалких долларов можно получить чудесные подарки Дядюшки ЧенДухВана..
Просто парень продвинутый на фоне его одногодок - балбесов. Но не более. срать ему и срать еще до изобретения реальных девайсов, в которые ващето надо вкладывать немало денег...
Ведь сегодня другой уровень техники - частоту к примеру 10 ГГЦ простым когерером из опилок не продетектируешь...

Это сообщение отредактировал vistador - 28 фев 2013 в 19:21
Liquidus 28 фев 2013 в 19:21
Приколист  •  На сайте 17 лет
0
Я на экзамене на 4 курсе с мобилы скатывал. Так препод оценку на балл выше поставил, с формулировкой "За использование современных технологий". Я с такими оО глазами оттуда ушел.
потатор 28 фев 2013 в 19:23
бардуль  •  На сайте 16 лет
0
Цитата (Liquidus @ 28.02.2013 - 19:21)
Я на экзамене на 4 курсе с мобилы скатывал. Так препод оценку на балл выше поставил, с формулировкой "За использование современных технологий". Я с такими оО глазами оттуда ушел.

В каком году это было? rulez.gif
SevaLamerson 28 фев 2013 в 19:25
наивность идеалов(∞≈0) (c) хомяк Моррис  •  На сайте 16 лет
6
vistador, да тут телевизионщики подсуропили. Паренёк ниразу не сказал, что это офигенское новаторство.
Просто его, как во всех школах, успевающего попросили сделать доклад "за пятёрку" в четверти по физике. Вот он и сделал интересный экскремент с блэкджеком и шлюхами. А директриса, видимо, смекнула, что школу нумер 14 можно пропиарастить на его фоне.

Я так тумаю... © cheer.gif

Это сообщение отредактировал SevaLamerson - 28 фев 2013 в 19:33
няшко 28 фев 2013 в 19:26
Гость  •  На сайте 15 лет
-1
Засунуть сее изобретение этому дрищу сами понимаете куда... Стукачей ненавижу moderator.gif
BorisMoiseev 28 фев 2013 в 19:29
Ярила  •  На сайте 13 лет
1
хуйня это, а не изобретение. Прибор максимум меряет напряженность элекрического поля. Ну засечет он мобильник работающий в метре, не дальше. Так это способен любой радиоприемник сделать.
DonMarchello 28 фев 2013 в 19:30
Юморист  •  На сайте 16 лет
0
У меня за две секунды возникло желание выкинуть ботана ебаного с восьмого этажа, как он дожил до 11 класса?! >_<
Kisk 28 фев 2013 в 19:42
Аннигиляторная пушка  •  На сайте 16 лет
2
А я зеленю Андрюшу,он всё-таки не в одновконтате сидит,и не хлебает пивас,пиздя преподов,а реально развивается,мыслит,чтот придумывает,вообщем молодец,пример,для нынешнего поколения!
spaike 28 фев 2013 в 19:49
450 мм  •  На сайте 16 лет
1
Я что то прибор в действии не увидел. Они там походу напряжение на батарейке измеряли gigi.gif
oligofren 28 фев 2013 в 20:19
Приколист  •  На сайте 14 лет
1
почитаем этот топик, посчитаем кол-во ненавидящих автора(хотя мож и лажа, но это не важно) - а потом подумаем, почему у нас во всех сферах такая лажа и упадчество. и врачи списывавшие и без знаний и конструктора/инженеры ваза и пилоты, убивающие людей по собственной проф-непригодности
XAOC 28 фев 2013 в 20:34
k.,jgsncndj yt gjhjr  •  На сайте 20 лет
0
Ребята хорошо к нему относятся? Ага, щас. Подозрения с себя снимают, алиби готовят. Не жилец Андрюха, эх не жилец! cool.gif

Это сообщение отредактировал XAOC - 28 фев 2013 в 20:34
unclesem 28 фев 2013 в 21:17
Ярила  •  На сайте 15 лет
0
Цитата (3a6u9ka @ 28.02.2013 - 18:05)
лучше печатать шпоры на принтере, делаешь колонки, маленький шрифт, получается огонь и без палева! old.gif

только принтер желательно лазерник, и картриджт оригинал, чтобы тонер хороший. тогда можно очень мелкий шрифт сделать - и читаемый к тому же.
Зять 28 фев 2013 в 22:38
Шутник  •  На сайте 13 лет
0
Пареньку надо валить не только из школы, но и из страны! Придут его одноклассники из армии, не поступившие из за этого хитрожопого ботаника данного изобретения - надерут ему жопу! gigi.gif
VedSpec 28 фев 2013 в 22:41
Гость  •  На сайте 14 лет
0
Цитата (spaike @ 28.02.2013 - 20:49)
Я что то прибор в действии не увидел. Они там походу напряжение на батарейке измеряли gigi.gif

Мало того, на видео показан самый китайский тестер, точность измерения которого ровна +/-∞.
Incvizitor51 28 фев 2013 в 23:45
Приколист  •  На сайте 13 лет
0
себе кайфушек заработал а другим падлу сделал...как говорили уже многие. получит он пиздоффф:)))
misterriston 28 фев 2013 в 23:48
Шутник  •  На сайте 13 лет
0
только флаги, только гармошки, только хардкор
Червик 1 мар 2013 в 00:36
Весельчак  •  На сайте 14 лет
1
Ровно 10 лет назад я впервые узнал о существовании прибора в виде шариковой ручки, который фиксирует входящие/исходящие волны мобильных телефонов. В зависимости от отдаленности источника, светодиод в устройстве менял яркость.

Тема - хуйня полная. Может завтра этот "кулибин" электричество изобретет?
Vilnur 1 мар 2013 в 01:16
Шутник  •  На сайте 13 лет
0
пилять ..... талантов то развелось! ))
MasterLomaster 1 мар 2013 в 02:36
Юморист  •  На сайте 17 лет
4
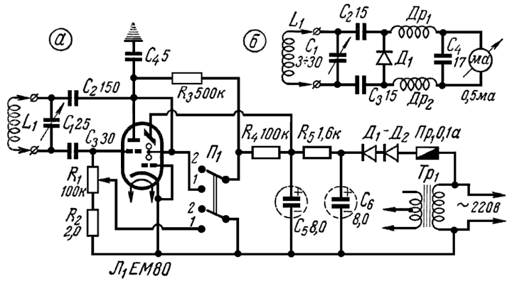
Волномер. Впервые изобретен в 1901 году человеком имя которого

Джон Амброуз Флеминг,

В советские времена использовали волномеры по схеме приведеной ниже. Схема 40вых годов!!!

Лампа тут 6Е1П которая светит прекрасным зеленым глазом



И это был воистену ахерительный по красоте и универсальности прибор!!! Это я вам как фанат всего современного говорю!!

Списать не удастся!
MasterLomaster 1 мар 2013 в 02:45
Юморист  •  На сайте 17 лет
1
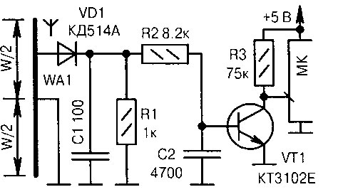
А сабжевый кулибин не допер даже сделать на микроконтроллере. По схеме которую даже искать можно с закрытыми глазами. Было бы даже дешевле чем пилять с прибором ((((

Деталей на 1 бакс
Пайки на 20 минут
Программирования на пол минуты!!! 2 строки (((

DDRB=0b00000010; PORTB=0b00000011;
if (!PINB.0) PORTB.1=1; else PORTB.1=0;

Та блин, даже микруху можно заменить транзистором.

Как уже выше сказали - страна катится к Британским Ученым

Списать не удастся!

Это сообщение отредактировал MasterLomaster - 1 мар 2013 в 03:03
Понравился пост? Ещё больше интересного в ЯП-Телеграм и ЯП-Max!
Только зарегистрированные и авторизованные пользователи могут оставлять комментарии. Авторизуйтесь, пожалуйста, или зарегистрируйтесь, если не зарегистрированы.
1 Пользователей читают эту тему (1 Гостей и 0 Скрытых Пользователей) Просмотры темы: 30 437
0 Пользователей:
Страницы: 1 2 3 4  ... 8  ОТВЕТИТЬ НОВАЯ ТЕМА

 
 

Активные темы



Наверх