USBtoRS232 переходник. Сборка на коленке.

Страницы: 1 2 3  ОТВЕТИТЬ НОВАЯ ТЕМА
zloykrot автор 28 апр 2014 в 15:47
Приколист  •  На сайте 14 лет
Сообщений: 354
Цитата (koloserj @ 28.04.2014 - 18:37)
здорово, но почему не СИНЯЯ изолента?

Реально паял меньше часа, а остальное время колор выбирал.


Добавлено в 15:50
Цитата (ieee1394 @ 28.04.2014 - 18:45)
Вопрос нахуя? Или посмотрите я умею паять!?

Несколько раз сталкивался с подобными обрезками, так у них не было полноценных сигналов +/- 12В. В циску не мог зайти из-за этого.

USBtoRS232 переходник. Сборка на коленке.
Все комментарии:
MadMoroz 28 апр 2014 в 15:53
Приколист  •  На сайте 15 лет
-1
Цитата
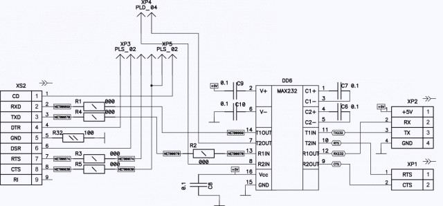
а схему слабо выложить?

в документации к max232. и тысячи их в интернете. эти провода вызывают у меня легкую эстетическую неприязнь

не самая сложная схема. когдато увлекался микроконтролерами и их подключением к компу

Это сообщение отредактировал MadMoroz - 28 апр 2014 в 15:55
PLEXus 28 апр 2014 в 15:55
Шутник  •  На сайте 12 лет
1
Цитата (zloykrot @ 28.04.2014 - 16:47)
Цитата (koloserj @ 28.04.2014 - 18:37)
здорово, но почему не СИНЯЯ изолента?

Реально паял меньше часа, а остальное время колор выбирал.


Добавлено в 15:50
Цитата (ieee1394 @ 28.04.2014 - 18:45)
Вопрос нахуя? Или посмотрите я умею паять!?

Несколько раз сталкивался с подобными обрезками, так у них не было полноценных сигналов +/- 12В. В циску не мог зайти из-за этого.

USB 5в не заметил у тебя доп питания
fatman2 28 апр 2014 в 15:56
Бывалый  •  На сайте 13 лет
0
а работает собственно для чего предназначалось? есть модели бесперебойников, которые работает не по стандартной схеме полнодуплексного обмена данными, а только передают инфу в РС (задействие сигнала RX и GND), а запитку берут от RTS, которую ставит в 1 программа контроля заряда на РС (7я нога разъема).
zloykrot автор 28 апр 2014 в 15:58
Приколист  •  На сайте 14 лет
0
Цитата (PLEXus @ 28.04.2014 - 18:55)
Цитата (zloykrot @ 28.04.2014 - 16:47)

Несколько раз сталкивался с подобными обрезками, так у них не было полноценных сигналов +/- 12В. В циску не мог зайти из-за этого.

USB 5в не заметил у тебя доп питания

USB - 5 вольт
Таракан CP2102 на красной платке делает 3,3В для себя, Но 5В с USB транзитом прозодят на мою сторону. Для питания Мах232 я беру 5В, так как она этого требует.
zloykrot автор 28 апр 2014 в 16:01
Приколист  •  На сайте 14 лет
0
Цитата (fatman2 @ 28.04.2014 - 18:56)
а работает собственно для чего предназначалось? есть модели бесперебойников, которые работает не по стандартной схеме полнодуплексного обмена данными, а только передают инфу в РС (задействие сигнала RX и GND), а запитку берут от RTS, которую ставит в 1 программа контроля заряда на РС (7я нога разъема).

Да, работает.
Этот УПС именно СМАРТ. тоесть данные гоняет туда и обратно.

ka ~]# apcaccess
APC : 001,048,1191
DATE : 2014-04-28 18:59:39 +0600
HOSTNAME : sortirovka.kz
VERSION : 3.14.10 (13 September 2011) redhat
UPSNAME : APC_S620
CABLE : Custom Cable Smart
DRIVER : APC Smart UPS (any)
UPSMODE : Stand Alone
STARTTIME: 2014-04-27 23:53:20 +0600
MODEL : Smart-UPS 620
STATUS : ONLINE LOWBATT
LINEV : 224.6 Volts
LOADPCT : 32.5 Percent Load Capacity
BCHARGE : 100.0 Percent
TIMELEFT : 2.0 Minutes
MBATTCHG : 15 Percent
MINTIMEL : 1 Minutes
MAXTIME : 0 Seconds
MAXLINEV : 228.9 Volts
MINLINEV : 223.2 Volts
OUTPUTV : 227.5 Volts
SENSE : High
DWAKE : 060 Seconds
DSHUTD : 180 Seconds
DLOWBATT : 02 Minutes
LOTRANS : 196.0 Volts
HITRANS : 253.0 Volts
RETPCT : 015.0 Percent
ALARMDEL : No alarm
BATTV : 13.8 Volts
LINEFREQ : 50.0 Hz
LASTXFER : Automatic or explicit self test
NUMXFERS : 0
TONBATT : 0 seconds
CUMONBATT: 0 seconds
XOFFBATT : N/A
SELFTEST : NO
STESTI : 336
STATFLAG : 0x07000048 Status Flag
REG1 : 0x00 Register 1
REG2 : 0x00 Register 2
REG3 : 0x00 Register 3
MANDATE : 12/03/02
SERIALNO : QS0249220617
BATTDATE : 04/06/14
NOMOUTV : 230 Volts
NOMBATTV : 12.0 Volts
FIRMWARE : 22.7.I
END APC : 2014-04-28 18:59:56 +0600
Criatiff 28 апр 2014 в 16:07
Father of traffic lights  •  На сайте 17 лет
4
У мну как-то так... Цена вопроса - около 7-ми пендоссовских долларов.

USBtoRS232 переходник. Сборка на коленке.

Это сообщение отредактировал Criatiff - 28 апр 2014 в 16:12
zebzeb 28 апр 2014 в 16:08
Весельчак  •  На сайте 13 лет
1
Мне чтоль ремонтом заняться? Лампочек энергосберегающих горелых штук 6 набралось sad.gif
Simmm 28 апр 2014 в 16:08
Приколист  •  На сайте 19 лет
4
ТС молодцца, сделал из того, что под рукой было. чего выпендриваться если дома все есть. не понимаю сарказма некоторых каментов. если не умеешь сделать то что нужно из того что есть под рукой, то это проблема "комментаторов-умников", а не ТС. прежде чем чего то советовать нужно быть самому в теме и иметь руки ВЫШЕ поясницы.
malishh 28 апр 2014 в 16:11
Весельчак  •  На сайте 12 лет
1
Зашиписть девайс
shurminator 28 апр 2014 в 16:17
КОЛОРАД  •  На сайте 13 лет
2
Железячникам завсегда пачот и уважуха agree.gif
fatman2 28 апр 2014 в 16:20
Бывалый  •  На сайте 13 лет
1
а вообще хорошо, когда "под рукой" есть готовый USB-UART, макетка и максимка с нужными коденсаторами. Мне вот пришлось как то "по быстрому" курочить свой USB-RS485, чтобы достать оттуда RS232 туда, где его не было
zloykrot автор 28 апр 2014 в 16:24
Приколист  •  На сайте 14 лет
1
Цитата (fatman2 @ 28.04.2014 - 19:20)
а вообще хорошо, когда "под рукой" есть готовый USB-UART, макетка и максимка с нужными коденсаторами. Мне вот пришлось как то "по быстрому" курочить свой USB-RS485, чтобы достать оттуда RS232 туда, где его не было

Да, вы правы. Они вроде бы мелочи, но когда надо, их фиг найдешь под рукой. Приучил себя держать в запасе несколько максимов для 232 и 485, так как часто что-то надо тестить и отлаживать.
infrareds 28 апр 2014 в 16:26
Приколист  •  На сайте 13 лет
1
за прямые руки всегда +
Луч 28 апр 2014 в 16:36
Приколист  •  На сайте 13 лет
1
ТС, швырни ссыль где монтажку заказать, плиз!
KairatT 28 апр 2014 в 16:37
Ярила  •  На сайте 12 лет
1
Цитата (Sennaaaaa @ 28.04.2014 - 16:35)
Бро, а зачем так извращаться? я недавно usb-to-com в магазе купил за 100рублей... а утебя и криво\некрасиво и дороже((

Думаю за 100 рублей ты купил дикого китайца который в любой момент может исчезнуть загадочно из системы. Было дело проходили такие грабли.
нормально стабильно работающие переходники купили за 40 баксов . фуфел дешевый вел соответствено его стоимости.
OleLukole 28 апр 2014 в 16:39
Корифей  •  На сайте 14 лет
1
ТС а давай замутим и запатентуем цилиндрический USB Разъём... который как не воткни работает, и скорость передачи на порядок выше, и можно например встраивать накопители в авторучки к примеру, с меня идея с тебя исполнение, бабло пополам ? можем взять в долю и третьего который правильно подготовит и отправит заявку в патентное бюро или куда там надо это всё дело отправлять....
будь уверен это всяко выстрелит в ближайшие несколько лет, так почему бы не запилить ?
Lynxtsl 28 апр 2014 в 16:41
Ярила  •  На сайте 13 лет
2
Можешь утюгом сделать, вот плата, мне не жалко.
1.

USBtoRS232 переходник. Сборка на коленке.

Это сообщение отредактировал Lynxtsl - 28 апр 2014 в 16:47
Lynxtsl 28 апр 2014 в 16:41
Ярила  •  На сайте 13 лет
1
2.

USBtoRS232 переходник. Сборка на коленке.
Lynxtsl 28 апр 2014 в 16:41
Ярила  •  На сайте 13 лет
1
3.

USBtoRS232 переходник. Сборка на коленке.
Lynxtsl 28 апр 2014 в 16:42
Ярила  •  На сайте 13 лет
1
4.

USBtoRS232 переходник. Сборка на коленке.
Lynxtsl 28 апр 2014 в 16:42
Ярила  •  На сайте 13 лет
1
5.

USBtoRS232 переходник. Сборка на коленке.
Lynxtsl 28 апр 2014 в 16:45
Ярила  •  На сайте 13 лет
1
6.


USBtoRS232 переходник. Сборка на коленке.
Марик 28 апр 2014 в 16:50
Хохмач  •  На сайте 15 лет
1
Я ожидал увидеть как будешь паять CP2102 на макетку

Это сообщение отредактировал Марик - 28 апр 2014 в 16:50
zloykrot автор 28 апр 2014 в 16:53
Приколист  •  На сайте 14 лет
0
Цитата (Луч @ 28.04.2014 - 19:36)
ТС, швырни ссыль где монтажку заказать, плиз!

Они в любых радиодеталях должны быть.
Я их брал пачку ещё в 2008 или 2009 году именно на такой случай-вонючий.
Понравился пост? Ещё больше интересного в ЯП-Телеграм и ЯП-Max!
Только зарегистрированные и авторизованные пользователи могут оставлять комментарии. Авторизуйтесь, пожалуйста, или зарегистрируйтесь, если не зарегистрированы.
1 Пользователей читают эту тему (1 Гостей и 0 Скрытых Пользователей) Просмотры темы: 6 485
0 Пользователей:
Страницы: 1 2 3  ОТВЕТИТЬ НОВАЯ ТЕМА

 
 

Активные темы



Наверх