Я был там...

Страницы: 1 2 3 4  ОТВЕТИТЬ НОВАЯ ТЕМА
adeptus62 6 июл 2025 в 12:13
Ярила  •  На сайте 3 года
4
Цитата (Кадавр @ 6.07.2025 - 11:37)
Блять, я знаю все эти слова!)))))

Забыли легендарное: Попячься! brake.gif
madcat82 6 июл 2025 в 12:13
.  •  На сайте 14 лет
4
Цитата (sergeantRRR @ 6.07.2025 - 10:18)
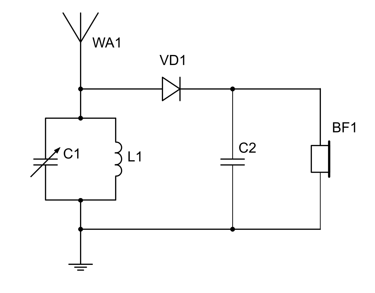
Уважаемый,Вы ещё один пунктик забыли.Не только через транзисторное радио прошли,но и через ламповое.В 11 лет,под руководством отца,собирал первый свой детекторный радиоприёмник именно на лампе!

Это вы, коллега, детекторный с усилительным каскадом уже делали - неканонiчно!!! old.gif
Правда я тоже диод заводской использовал, а не прикопчённое бритвенное лезвие, так что тоже можно сказать, упрощённая схема lol.gif

Детекторный должен быть безламповый и безбатареечный.
Ну то есть, батарея ему, конечно, нужна для работы - батарея отопления, чтобы об неё заземлиться gigi.gif

Сейчас для молодёжи это вообще как лютое шаманство должно выглядеть на фоне засилия дешёвых аккумуляторов и выхода в онлайн из каждой пуговицы.
Правда есть нюанс: для осознания этого нужен моск, а с ним нынче напряжёнка, эка незадача...

UPD: кстати, тут схема усложнённая по меркам тех лет. Нужно было ещё спиздить где-то нормальный переменный кондёр, такой, с кучей лепестков, заезжающих друг в друга.
Проще было поставить обычный, а для настройки вынимать-вставлять феррит в катушку, которая из тетрадного листа с клеем по-быстрому намотана вокруг него.

Я был там...

Это сообщение отредактировал madcat82 - 6 июл 2025 в 12:19
Катанян 6 июл 2025 в 12:16
эстонский татарин  •  На сайте 6 лет
1
Цитата (nyarlathoten @ 6.07.2025 - 09:00)
Только зумерам это отсылка неочем.
Да и смайлика нет, вообще не поймут что это шутка.

я не зуммер,но тоже не внял сему набору фраз.
Что со мной не так?

Цитата
детекторный радиоприёмник именно на лампе!

хаха - было смешно!
детекторный приёмник и приёмник с лампами - всё одно, что сравнить трамвай и конку

Это сообщение отредактировал Катанян - 6 июл 2025 в 12:19
Vredtech 6 июл 2025 в 12:22
ВРЕДный ТЕХнолог  •  На сайте 8 лет
3
Цитата (Renert @ 6.07.2025 - 10:22)
Бля, очередной высер из разряда "раньше было лучше"...

Просто те, кто, сейчас так яростно пишет о своей молодости, давно превратились в закостеневших стариков и не видят той движухи, которая сейчас происходит у молодых. Когда вы последний раз были на молодёжном фестивале? Я вот - с неделю назад.
Проводили у нас фест. Там и сноуборд был, с настоящим снегом, и всякие соревновашки по уличным танцам, и по BMX, и по турникам, чарлидингу.
И там столько позитивной, весёлой и энергичной молодёжи было, что самому хотелось опять стать моложе и начать заниматься всем этим.
Так что, нечего сидеть и причитать, что молодёжь нынче не та, и что они только в телефонах сидят.

Да видим мы эту движуху регулярно. "Собачьи свадьбы" они на производственном сленге называются.

Обруби сеть (как щаз регулярно происходит в качестве борьбы с дронами) - и нет никакой движухи, и сидят все со скучными рылами.
nyarlathoten 6 июл 2025 в 12:31
Ярила  •  На сайте 5 лет
1
Цитата (Катанян @ 06.07.2025 - 12:16)
я не зуммер,но тоже не внял сему набору фраз.
Что со мной не так?


хаха - было смешно!
детекторный приёмник и приёмник с лампами - всё одно, что сравнить трамвай и конку

Все с тобой не так, у тебя даже оправдания что ты зумер нет.

Размещено через приложение ЯПлакалъ
ЮлияМ 6 июл 2025 в 12:32
Юморист  •  На сайте 1 год
0
Кто ты ? Воин ..
AndreyRu 6 июл 2025 в 12:33
Ярила  •  На сайте 7 лет
4
Цитата (Alex9691 @ 6.07.2025 - 11:04)
И не ищет ответов у Google

Это Google ищет ответы у пятидесятилетних....
Led 6 июл 2025 в 12:34
−•− −−− −••• •− ••••  •  На сайте 19 лет
3
Цитата (Alex9691 @ 06.07.2025 - 10:04)
Не трогай людей после пятидесяти. Серьезно. Это не просто поколение – это отдельная форма выживания.
Крепкие, как недельный хлеб, и быстрые, как бабушкины тапочки, летящие в твою сторону с точностью бумеранга.
К пяти годам они уже читали настроение матери по звуку кастрюли на плите. В семь – имели ключ на шнурке и инструкцию: "Обед
в холодильнике, разогрей, но не спали". В девять – варили борщ без рецепта, в десять – знали, как закрутить кран и убежать от соседского пса с ведром на голове.
С утра до ночи на улице.
Без телефонов.
Вместо вай-фая – точный маршрут: турник, река, и домой в темноте с коленями, похожими на карту боевых действий.
И однажды выжили.
Колени латали слюной и листом подорожника. А как болело – то слышали: "Не оторвалось – значит, не болит".
Ели хлеб с сахаром, пили воду из садового шланга – с таким микробиомом, которому позавидовал бы любой йогурт. Аллергии не было. А если и имели – то молчали.
Знают пятнадцать способов выведения пятен от травы, смазки, крови, болота и чернил – потому что надо было прийти домой "чистым".
И это ещё не всё.
Они прошли через:
– транзисторное радио,
– черно-белый телевизор,
– проигрыватель для винил,
– магнитофоны с катушками и кассетами,
– CD-диски и дискмены, а теперь – держат тысячи песен в кармане… и скучают по треску кассеты, перемотанной карандашом.
А получив водительское удостоверение, ехали на жигулях через всю страну – без гостиниц, кондиционера и GPS. Только дорожный атлас, где вся страна – на нескольких страницах.
И доезжали. Без Google Translate. С улыбкой.
И бутербродом с яйцом в багажнике. Это последнее поколение, помнящее мир без интернета, без связи, без постоянной тревоги за заряд батареи. Они знают разницу между стационарным телефоном и висевшим на шнуре в коридоре. У них были тетради с рецептами, а не приложения. А о днях рождения помнили сами. Или... не приходили. Это люди, которые:
– ремонтируют все изоляционной лентой, скрепкой и плоскогубцами,
— имели один канал по телевизору — и не скучали,
– знали, что "листать" – это не лента, а телефонный справочник,
– и верили: если не берешь трубку – значит, жив, перезвонишь.
Они – другие.
У них эмоциональный асбест, иммунитет из эпохи дефицита и рефлексы, отточенные на турнике. Последние настоящие ниндзя обыденности.
Не трогай пятидесятилетнего. Он видел больше, прожил глубже и имеет в кармане мятные конфеты старше твоего ребенка.
Он пережил детство без автокресла, без шлема и без солнцезащитного крема. Школу – без ноутбука. Молодость – без скролинга.
И не ищет ответов у Google – потому что имеет инстинкт.
И несмотря на все – у него больше воспоминаний, чем у тебя – фотографий в облаке.

Я аж взгордился немножко)

Размещено через приложение ЯПлакалъ
SteelBro 6 июл 2025 в 12:39
Ярила  •  На сайте 12 лет
0
Цитата (Alex9691 @ 06.07.2025 - 10:04)
Не трогай людей после пятидесяти. Серьезно. Это не просто поколение – это отдельная форма выживания.
Крепкие, как недельный хлеб, и быстрые, как бабушкины тапочки, летящие в твою сторону с точностью бумеранга.
К пяти годам они уже читали настроение матери по звуку кастрюли на плите. В семь – имели ключ на шнурке и инструкцию: "Обед
в холодильнике, разогрей, но не спали". В девять – варили борщ без рецепта, в десять – знали, как закрутить кран и убежать от соседского пса с ведром на голове.
С утра до ночи на улице.
Без телефонов.
Вместо вай-фая – точный маршрут: турник, река, и домой в темноте с коленями, похожими на карту боевых действий.
И однажды выжили.
Колени латали слюной и листом подорожника. А как болело – то слышали: "Не оторвалось – значит, не болит".
Ели хлеб с сахаром, пили воду из садового шланга – с таким микробиомом, которому позавидовал бы любой йогурт. Аллергии не было. А если и имели – то молчали.
Знают пятнадцать способов выведения пятен от травы, смазки, крови, болота и чернил – потому что надо было прийти домой "чистым".
И это ещё не всё.
Они прошли через:
– транзисторное радио,
– черно-белый телевизор,
– проигрыватель для винил,
– магнитофоны с катушками и кассетами,
– CD-диски и дискмены, а теперь – держат тысячи песен в кармане… и скучают по треску кассеты, перемотанной карандашом.
А получив водительское удостоверение, ехали на жигулях через всю страну – без гостиниц, кондиционера и GPS. Только дорожный атлас, где вся страна – на нескольких страницах.
И доезжали. Без Google Translate. С улыбкой.
И бутербродом с яйцом в багажнике. Это последнее поколение, помнящее мир без интернета, без связи, без постоянной тревоги за заряд батареи. Они знают разницу между стационарным телефоном и висевшим на шнуре в коридоре. У них были тетради с рецептами, а не приложения. А о днях рождения помнили сами. Или... не приходили. Это люди, которые:
– ремонтируют все изоляционной лентой, скрепкой и плоскогубцами,
— имели один канал по телевизору — и не скучали,
– знали, что "листать" – это не лента, а телефонный справочник,
– и верили: если не берешь трубку – значит, жив, перезвонишь.
Они – другие.
У них эмоциональный асбест, иммунитет из эпохи дефицита и рефлексы, отточенные на турнике. Последние настоящие ниндзя обыденности.
Не трогай пятидесятилетнего. Он видел больше, прожил глубже и имеет в кармане мятные конфеты старше твоего ребенка.
Он пережил детство без автокресла, без шлема и без солнцезащитного крема. Школу – без ноутбука. Молодость – без скролинга.
И не ищет ответов у Google – потому что имеет инстинкт.
И несмотря на все – у него больше воспоминаний, чем у тебя – фотографий в облаке.

Неплохо пизданул, неплохо! Респект

Размещено через приложение ЯПлакалъ
maxel 6 июл 2025 в 12:44
Ярила  •  На сайте 13 лет
2
I've seen the nations rise and fall,
I've heard their stories, heard them all,
But love is only engine for survival...
Shanauroff 6 июл 2025 в 12:47
живу в инкубаторе  •  На сайте 14 лет
0
Цитата (Alex9691 @ 06.07.2025 - 10:04)
Не трогай людей после пятидесяти. Серьезно. Это не просто поколение – это отдельная форма выживания.
Крепкие, как недельный хлеб, и быстрые, как бабушкины тапочки, летящие в твою сторону с точностью бумеранга.
К пяти годам они уже читали настроение матери по звуку кастрюли на плите. В семь – имели ключ на шнурке и инструкцию: "Обед
в холодильнике, разогрей, но не спали". В девять – варили борщ без рецепта, в десять – знали, как закрутить кран и убежать от соседского пса с ведром на голове.
С утра до ночи на улице.
Без телефонов.
Вместо вай-фая – точный маршрут: турник, река, и домой в темноте с коленями, похожими на карту боевых действий.
И однажды выжили.
Колени латали слюной и листом подорожника. А как болело – то слышали: "Не оторвалось – значит, не болит".
Ели хлеб с сахаром, пили воду из садового шланга – с таким микробиомом, которому позавидовал бы любой йогурт. Аллергии не было. А если и имели – то молчали.
Знают пятнадцать способов выведения пятен от травы, смазки, крови, болота и чернил – потому что надо было прийти домой "чистым".
И это ещё не всё.
Они прошли через:
– транзисторное радио,
– черно-белый телевизор,
– проигрыватель для винил,
– магнитофоны с катушками и кассетами,
– CD-диски и дискмены, а теперь – держат тысячи песен в кармане… и скучают по треску кассеты, перемотанной карандашом.
А получив водительское удостоверение, ехали на жигулях через всю страну – без гостиниц, кондиционера и GPS. Только дорожный атлас, где вся страна – на нескольких страницах.
И доезжали. Без Google Translate. С улыбкой.
И бутербродом с яйцом в багажнике. Это последнее поколение, помнящее мир без интернета, без связи, без постоянной тревоги за заряд батареи. Они знают разницу между стационарным телефоном и висевшим на шнуре в коридоре. У них были тетради с рецептами, а не приложения. А о днях рождения помнили сами. Или... не приходили. Это люди, которые:
– ремонтируют все изоляционной лентой, скрепкой и плоскогубцами,
— имели один канал по телевизору — и не скучали,
– знали, что "листать" – это не лента, а телефонный справочник,
– и верили: если не берешь трубку – значит, жив, перезвонишь.
Они – другие.
У них эмоциональный асбест, иммунитет из эпохи дефицита и рефлексы, отточенные на турнике. Последние настоящие ниндзя обыденности.
Не трогай пятидесятилетнего. Он видел больше, прожил глубже и имеет в кармане мятные конфеты старше твоего ребенка.
Он пережил детство без автокресла, без шлема и без солнцезащитного крема. Школу – без ноутбука. Молодость – без скролинга.
И не ищет ответов у Google – потому что имеет инстинкт.
И несмотря на все – у него больше воспоминаний, чем у тебя – фотографий в облаке.

Ну да, хули. Мне 40 ещё нет, но всё это было. Кроме жигулей. Был ЗИЛ 131 с длинномером и бумажная карта Челябинска. Попробуй проеби поворот.

Размещено через приложение ЯПлакалъ
Warlav 6 июл 2025 в 12:50
Ярила  •  На сайте 12 лет
1
И я там был.
Мёд пиво пило.
По усам текло,
А в рот не попало.

Размещено через приложение ЯПлакалъ
Acelera 6 июл 2025 в 12:53
Шутник  •  На сайте 12 лет
0
Да было дело. Подонги и упячка доставляли

Размещено через приложение ЯПлакалъ
Exheredato 6 июл 2025 в 13:00
Юморист  •  На сайте 4 года
1
Цитата (madcat82 @ 06.07.2025 - 12:13)
Это вы, коллега, детекторный с усилительным каскадом уже делали - неканонiчно!!!
Правда я тоже диод заводской использовал, а не прикопчённое бритвенное лезвие, так что тоже можно сказать, упрощённая схема

Детекторный должен быть безламповый и безбатареечный.
Ну то есть, батарея ему, конечно, нужна для работы - батарея отопления, чтобы об неё заземлиться

Сейчас для молодёжи это вообще как лютое шаманство должно выглядеть на фоне засилия дешёвых аккумуляторов и выхода в онлайн из каждой пуговицы.
Правда есть нюанс: для осознания этого нужен моск, а с ним нынче напряжёнка, эка незадача...

UPD: кстати, тут схема усложнённая по меркам тех лет. Нужно было ещё спиздить где-то нормальный переменный кондёр, такой, с кучей лепестков, заезжающих друг в друга.
Проще было поставить обычный, а для настройки вынимать-вставлять феррит в катушку, которая из тетрадного листа с клеем по-быстрому намотана вокруг него.

Вспомнилось, что из картофелины такое собирал)
Антенна струна для занавесок, земля - батарея.

Размещено через приложение ЯПлакалъ
GllInnfidich 6 июл 2025 в 13:03
Юморист  •  На сайте 2 года
2
Цитата
Вам Сталин всё дал, а вы просрали.

Ещё один тупой зуммер дитё егэ. Считать научись…..хотя как ты отнимешь из 2025 1953, это ж вообще разные цифры. Кому более 50лет , ещё живы и в интернетах сидят родились с 1960примерно и по 1975г. Для зуммеров ещё поясню- сталин умер в 1953году. Тем кому сталин чего то давал уже умерли или уже скоро.
ПС: сначала был 1953 год и только потом, через 7 лет , наступил 1960год.

Размещено через приложение ЯПлакалъ
duglass 6 июл 2025 в 13:04
Ярила  •  На сайте 19 лет
0
КГ АМ )))

Размещено через приложение ЯПлакалъ
Goodcitizen 6 июл 2025 в 13:08
Я вам Димон  •  На сайте 12 лет
1
А что, маил-агент всё? Давно там не был.
ThrawnDarth 6 июл 2025 в 13:17
Весельчак  •  На сайте 2 года
0
Цитата (Кадавр @ 6.07.2025 - 11:37)
Блять, я знаю все эти слова!)))))

Тогда ещё вспоминай:
нода, поинт, тоссер, флоппинет, "навеска передних дверей", "tape loading error"...
Ну и сисоп с двустволкой ++
ThrawnDarth 6 июл 2025 в 13:29
Весельчак  •  На сайте 2 года
0
Цитата (OSM @ 6.07.2025 - 10:05)
...

Интересно...

Я был там...

Это сообщение отредактировал ThrawnDarth - 6 июл 2025 в 13:33
Renert 6 июл 2025 в 13:31
Ярила  •  На сайте 15 лет
-3
Цитата (Vredtech @ 6.07.2025 - 16:22)
Цитата (Renert @ 6.07.2025 - 10:22)
Бля, очередной высер из разряда "раньше было лучше"...

Просто те, кто, сейчас так яростно пишет о своей молодости, давно превратились в закостеневших стариков и не видят той движухи, которая сейчас происходит у молодых. Когда вы последний раз были на молодёжном фестивале? Я вот - с неделю назад.
Проводили у нас фест. Там и сноуборд был, с настоящим снегом, и всякие соревновашки по уличным танцам, и по BMX, и по турникам, чарлидингу.
И там столько позитивной, весёлой и энергичной молодёжи было, что самому хотелось опять стать моложе и начать заниматься всем этим.
Так что, нечего сидеть и причитать, что молодёжь нынче не та, и что они только в телефонах сидят.

Да видим мы эту движуху регулярно. "Собачьи свадьбы" они на производственном сленге называются.

Обруби сеть (как щаз регулярно происходит в качестве борьбы с дронами) - и нет никакой движухи, и сидят все со скучными рылами.

ну вот ты и спалился. Видит он. Ничего ты не видишь. Свинья везде грязь найдет.
Сейчас можно хоть каждый день ходить на какие-нибудь мероприятия на любые интересы: от выставок до концертов. И представь себе, когда я прихожу куда-нибудь, то там полно молодёжи, и не бухущие в сопли, а нормальные, весёлые и приветливые люди.
Сам-то давно куда-то кроме дачи и дивана выбирался?
Bassman1984 6 июл 2025 в 13:31
Шутник  •  На сайте 12 лет
0
У моего друга раньше жена работала на почте. Звали Агент майл ру)

Размещено через приложение ЯПлакалъ
Galoghen 6 июл 2025 в 13:35
Ярила  •  На сайте 6 лет
2
Цитата (ThrawnDarth @ 6.07.2025 - 13:17)
Цитата (Кадавр @ 6.07.2025 - 11:37)
Блять, я знаю все эти слова!)))))

Тогда ещё вспоминай:
нода, поинт, тоссер, флоппинет, "навеска передних дверей", "tape loading error"...
Ну и сисоп с двустволкой ++

Ну да... привязка по IRQ SB16... Односкоростные CD-Rom... IDDQD.... IDKFA...
OCTPbIY 6 июл 2025 в 13:38
Матологоанатом  •  На сайте 10 лет
0
Цитата (Alex9691 @ 06.07.2025 - 10:04)
Не трогай людей после пятидесяти. Серьезно. Это не просто поколение – это отдельная форма выживания.
Крепкие, как недельный хлеб, и быстрые, как бабушкины тапочки, летящие в твою сторону с точностью бумеранга.
К пяти годам они уже читали настроение матери по звуку кастрюли на плите. В семь – имели ключ на шнурке и инструкцию: "Обед
в холодильнике, разогрей, но не спали". В девять – варили борщ без рецепта, в десять – знали, как закрутить кран и убежать от соседского пса с ведром на голове.
С утра до ночи на улице.
Без телефонов.
Вместо вай-фая – точный маршрут: турник, река, и домой в темноте с коленями, похожими на карту боевых действий.
И однажды выжили.
Колени латали слюной и листом подорожника. А как болело – то слышали: "Не оторвалось – значит, не болит".
Ели хлеб с сахаром, пили воду из садового шланга – с таким микробиомом, которому позавидовал бы любой йогурт. Аллергии не было. А если и имели – то молчали.
Знают пятнадцать способов выведения пятен от травы, смазки, крови, болота и чернил – потому что надо было прийти домой "чистым".
И это ещё не всё.
Они прошли через:
– транзисторное радио,
– черно-белый телевизор,
– проигрыватель для винил,
– магнитофоны с катушками и кассетами,
– CD-диски и дискмены, а теперь – держат тысячи песен в кармане… и скучают по треску кассеты, перемотанной карандашом.
А получив водительское удостоверение, ехали на жигулях через всю страну – без гостиниц, кондиционера и GPS. Только дорожный атлас, где вся страна – на нескольких страницах.
И доезжали. Без Google Translate. С улыбкой.
И бутербродом с яйцом в багажнике. Это последнее поколение, помнящее мир без интернета, без связи, без постоянной тревоги за заряд батареи. Они знают разницу между стационарным телефоном и висевшим на шнуре в коридоре. У них были тетради с рецептами, а не приложения. А о днях рождения помнили сами. Или... не приходили. Это люди, которые:
– ремонтируют все изоляционной лентой, скрепкой и плоскогубцами,
— имели один канал по телевизору — и не скучали,
– знали, что "листать" – это не лента, а телефонный справочник,
– и верили: если не берешь трубку – значит, жив, перезвонишь.
Они – другие.
У них эмоциональный асбест, иммунитет из эпохи дефицита и рефлексы, отточенные на турнике. Последние настоящие ниндзя обыденности.
Не трогай пятидесятилетнего. Он видел больше, прожил глубже и имеет в кармане мятные конфеты старше твоего ребенка.
Он пережил детство без автокресла, без шлема и без солнцезащитного крема. Школу – без ноутбука. Молодость – без скролинга.
И не ищет ответов у Google – потому что имеет инстинкт.
И несмотря на все – у него больше воспоминаний, чем у тебя – фотографий в облаке.

Аминь

Размещено через приложение ЯПлакалъ
Vredtech 6 июл 2025 в 13:42
ВРЕДный ТЕХнолог  •  На сайте 8 лет
2
Цитата (Renert @ 6.07.2025 - 13:31)
ну вот ты и спалился. Видит он. Ничего ты не видишь. Свинья везде грязь найдет.
Сейчас можно хоть каждый день ходить на какие-нибудь мероприятия на любые интересы: от выставок до концертов. И представь себе, когда я прихожу куда-нибудь, то там полно молодёжи, и не бухущие в сопли, а нормальные, весёлые и приветливые люди.
Сам-то давно куда-то кроме дачи и дивана выбирался?

По причине постоянных косяков от "креативной молодёжи" на работе приходится зависать, исправлять ими наделанное...
maxel 6 июл 2025 в 13:47
Ярила  •  На сайте 13 лет
2
Аффтар жжот, пеши исчо ;)

Это сообщение отредактировал maxel - 6 июл 2025 в 13:48
Понравился пост? Ещё больше интересного в ЯП-Телеграм и ЯП-Max!
Только зарегистрированные и авторизованные пользователи могут оставлять комментарии. Авторизуйтесь, пожалуйста, или зарегистрируйтесь, если не зарегистрированы.
1 Пользователей читают эту тему (1 Гостей и 0 Скрытых Пользователей) Просмотры темы: 12 382
0 Пользователей:
Страницы: 1 2 3 4  ОТВЕТИТЬ НОВАЯ ТЕМА

 
 

Активные темы



Наверх